Быстрый старт
Серия контроллеров E2R2-G с модульной структурой.
Базовая часть (системная плата) может комбинироваться с блоком питания на 220В, дополнительной интерфейсной платой (расширяет количество интерфейсов RS-232/485) или второй системной платой. Возможны корпуса -1 (на один модуль), -2 (на два модуля) и -3 (на три модуля).
Серии V1
и V2 сняты с производства.
Поставлялись с GSM модулем3G. Опционально в контроллер устанавливался модуль 4G.
Контроллеры серии V4
выпускаются с GSM модулем типа LTE.
Внешний вид и разъёмы
УСПД КМ Энтек E2R2(G) -1 V1 (Снят с производства)

Рисунок 1. Внешний вид КМ Энтек E2R2(G)-1 V.1
|
Обозначение
|
Описание
| |
|
Внешний вид с лицевой стороны
| ||
|
1
|
Разъём DC Power Male Jack для подключения питания (POWER)
| |
|
2
|
Кнопка для извлечения SIM-карты 1
| |
|
3
|
Слот (разъём-держатель) SIM-карты 1 (SIM 1)
| |
|
4
|
Слот (разъём-держатель) SIM-карты 2 (SIM 2)
| |
|
5
|
Кнопка для извлечения SIM-карты 2
| |
|
6
|
Порт Ethernet1 (LAN/WAN 10/100 Мбит/с), разъём RJ-45 (ETH1)
| |
|
7
|
Порт Ethernet2 (LAN/WAN 10/100 Мбит/с), разъём RJ-45 (ETH2)
| |
|
8
|
Светодиодные индикаторы (сверху вниз: PWR, NET, ACT)
| |
|
9
|
Разъём SMA-F для подключения GSM/3G антенны (ANT)
| |
|
Внешний вид с обратной стороны
| ||
|
10
|
Разъём USB 2.0, тип A (USB)
| |
|
11
Клеммный
разъём
XP1
|
Т
|
Вывод встроенного терминального резистора
|
|
А
|
Сигнал "А+" линии RS-485
| |
|
В
|
Сигнал "B-" линии RS-485
| |
|
G
|
Сигнальная земля (подключается при необходимости)
| |
|
IO1
|
Универсальная линия ввода-вывода 1
| |
|
12
Клеммный
разъём
XP2
|
IO2
|
Универсальная линия ввода-вывода 2
|
|
IO3
|
Универсальная линия ввода-вывода 3
| |
|
IO4
|
Универсальная линия ввода-вывода 4
| |
|
G
|
Земля
| |
|
V
|
Положительный вход внешнего питания 8–50В
| |
|
13
|
RS-232
|
9-контактный разъём DB-9M интерфейса RS-232
|
УСПД КМ Энтек E2R2(G) -1 V2 (Снят с производства)

Рисунок 2. Внешний вид КМ Энтек E2R2(G)-1 V.2
Таблица 1. Описание контактов и разъёмов.
|
Обозначение
|
Описание
| |
|
Внешний вид с лицевой стороны
| ||
|
1
|
4-контактный разъём MicroFit для подключения питания 8-50В DC (в многомодульных версиях контроллера разъём не предусмотрен, питание 8–50В осуществляется через контакты G и V клеммника XP2.)
| |
|
2-1
|
Слот SIM-карты 1
| |
|
2-2
|
Кнопка для извлечения SIM-карты 1
| |
|
3-1
|
Слот SIM-карты 2
| |
|
3-2
|
Кнопка для извлечения SIM-карты 2
| |
|
4
|
Слот microSD для карты памяти
| |
|
5
|
Порт Ethernet1 (LAN/WAN 10/100 Мбит/с), разъём RJ-45 (ETH1)
| |
|
6
|
Порт Ethernet2 (LAN/WAN 10/100 Мбит/с), разъём RJ-45 (ETH2)
| |
|
7
|
Светодиодные индикаторы (сверху вниз: PWR, NET, ACT)
| |
|
8
|
Разъём SMA(f) для подключения 3G антенны или основной антенны 4G
| |
|
Внешний вид с обратной стороны
| ||
|
9
|
Разъём USB 2.0, тип A
| |
|
10
Клеммный разъём
XP1
|
Т
|
Вывод встроенного терминального резистора
|
|
А
|
Сигнал "А+" линии RS-485
| |
|
В
|
Сигнал "B-" линии RS-485
| |
|
G
|
Сигнальная земля (подключается при необходимости)
| |
|
IO1
|
Универсальная линия ввода-вывода 1
| |
|
11
Клеммный
разъём
XP2
|
IO2
|
Универсальная линия ввода-вывода 2
|
|
IO3
|
Универсальная линия ввода-вывода 3
| |
|
IO4
|
Универсальная линия ввода-вывода 4
| |
|
G
|
Земля
| |
|
V
|
Положительный вход внешнего питания 8–50В
| |
|
12
|
RESET
|
Кнопка для перезагрузки/сброса настроек контроллера
|
|
13
|
RS-232
|
9-контактный разъём DB-9M интерфейса RS-232
|
УСПД КМ Энтек E2R2(G) -1 V4

Рисунок 2. Внешний вид КМ Энтек E2R2(G)-1 V4.
Таблица 2. Описание контактов и разъёмов.
|
Обозначение
|
Описание
| ||
|
Внешний вид с лицевой стороны
| |||
|
1
|
4-контактный разъём MicroFit для подключения питания 10-50В DC (в многомодульных версиях разъём не предусмотрен)
| ||
|
2-1
|
Слот SIM-карты 1
| ||
|
2-2
|
Кнопка для извлечения SIM-карты 1
| ||
|
3-1
|
Слот SIM-карты 2
| ||
|
3-2
|
Кнопка для извлечения SIM-карты 2
| ||
|
4
|
Слот microSD для карты памяти
| ||
|
5
|
Порт Ethernet1 (LAN/WAN 10/100 Мбит/с), разъём RJ-45 (ETH1)
| ||
|
6
|
Порт Ethernet2 (LAN/WAN 10/100 Мбит/с), разъём RJ-45 (ETH2)
| ||
|
7
|
Светодиодные индикаторы (сверху вниз: PWR, NET, ACT)
| ||
|
8
|
Разъём SMA(f) для подключения 3G антенны или основной антенны 4G
| ||
|
Внешний вид с обратной стороны
| |||
|
9
|
Разъём USB 2.0, тип A
| ||
|
10
|
Кнопка для перезагрузки/сброса настроек
| ||
|
11
|
XP1 (PWR)
|
G
|
Земля
|
|
V
|
Положительный вход питания 10-50В DC
| ||
|
12
|
XP2
(RS-485)
|
A1
|
Сигнал «А1+» линии RS-485(1)
|
|
B1
|
Сигнал «B1-» линии RS-485(1)
| ||
|
GI1
|
Разъём для изолированной земли линии RS-485(1)
| ||
|
12
|
XP3
(RS-485)
|
A2
|
Сигнал «А2+» линии RS-485(2)
|
|
B2
|
Сигнал «B2-» линии RS-485(2)
| ||
|
GI2
|
Разъём для изолированной земли линии RS-485(2)
| ||
|
13
|
XP4
(GPIO)
|
G
|
Земля
|
|
IO1
|
Универсальная линия ввода-вывода 1
| ||
|
IO2
|
Универсальная линия ввода-вывода 2
| ||
|
IO3
|
Универсальная линия ввода-вывода 3
| ||
|
IO4
|
Универсальная линия ввода-вывода 4
| ||
|
14
|
XP5
(RS-232)
|
G
|
Земля
|
|
TX
|
Выход данных TX интерфейса RS-232
| ||
|
RX
|
Вход данных RX интерфейса RS-232
| ||
|
CTS
|
Выход данных CTS интерфейса RS-232
| ||
|
RTS
|
Вход данных RTS интерфейса RS-232
| ||
|
15
|
ANT3 DIV
|
Разъём SMA(f) для подключения дополнительной антенны 4G
| |
УСПД КМ Энтек E2R2(G)-3 V2

Рисунок 3. Внешний вид КМ Энтек E2R2(G)-3 V2***.
Таблица 2. Описание контактов и разъёмов.
|
Обозначение
|
Описание
| |
|
Внешний вид с лицевой стороны
| ||
|
1
Клеммный разъём
XP1
|
I1+
|
Импульсный вход 1, контакт «+»
|
|
I1-
|
Импульсный вход 1, контакт «-»
| |
|
I2+
|
Импульсный вход 2, контакт «+»
| |
|
I2-
|
Импульсный вход 2, контакт «-»
| |
|
I1+
|
Импульсный вход 3, контакт «+»
| |
|
2
Клеммный разъём
XP2
|
I1+
|
Импульсный вход 3, контакт «-»
|
|
I1+
|
Импульсный вход 4, контакт «+»
| |
|
I1+
|
Импульсный вход 4, контакт «-»
| |
|
A1
|
Сигнал «А+» линии RS-485 (порт 1)
| |
|
B1
|
Сигнал «В+» линии RS-485 (порт 1)
| |
|
3
Клеммный разъём
XP3
|
A2
|
Сигнал «А+» линии RS-485 (порт 2)
|
|
B2
|
Сигнал «В+» линии RS-485 (порт 2)
| |
|
A3
|
Сигнал «А+» линии RS-485 (порт 3)
| |
|
B3
|
Сигнал «В+» линии RS-485 (порт 3)
| |
|
|
Вывод встроенного терминального резистора (порта 3) *
| |
|
4
|
STAT
|
Индикатор соединения GPS (опция)
|
|
5
|
GPS (опция)
| |
|
6
|
Кнопка для извлечения SIM-карты 1
| |
|
7
|
Слот (разъём-держатель) SIM-карты 1 (SIM 1)
| |
|
8
|
Слот (разъём-держатель) SIM-карты 2 (SIM 2)
| |
|
9
|
Кнопка для извлечения SIM-карты 2
| |
|
10
|
Порт Ethernet1 (LAN/WAN 10/100 Мбит/с), разъём RJ-45 (ETH1)
| |
|
11
|
Порт Ethernet2 (LAN/WAN 10/100 Мбит/с), разъём RJ-45 (ETH2)
| |
|
12
|
Светодиодные индикаторы (сверху вниз: PWR, NET, ACT)
| |
|
13
|
Разъём SMA-F для подключения GSM/3G антенны (ANT)
| |
|
Внешний вид с обратной стороны
| ||
|
14
|
Разъём USB 2.0, тип A (USB)
| |
|
15
|
Разъём 1-Wire (RJ-11)
| |
|
16
Клеммный разъём
СОМ2
|
G
|
G
|
|
TX
|
Tx
| |
|
RX
|
Rx
| |
|
RTS
|
RTS
| |
|
CTS
|
CTS
| |
|
17
|
СОМ1
|
9-контактный разъём DB-9M интерфейса RS-232
|
|
18
|
~220V
|
Вход сетевого питающего напряжения ~220В (85..265В AC)
|
|
~220V
| ||
|
19
Клеммный разъём
XP4
|
T4
|
Вывод встроенного терминального резистора (порта 4) *
|
|
A4
|
Сигнал «А+» линии RS-485 (порт 4)
| |
|
B4
|
Сигнал «B-» линии RS-485 (порт 4)
| |
|
G
|
Экран линии RS-485 (подключается при необходимости)
| |
|
IO1
|
Универсальная линия ввода-вывода 1
| |
|
20
Клеммный разъём
XP5
|
IO2
|
Универсальная линия ввода-вывода 2
|
|
IO3
|
Универсальная линия ввода-вывода 3
| |
|
IO4
|
Универсальная линия ввода-вывода 4
| |
|
G
|
Земля
| |
|
V
|
Положительный вход внешнего питания ** (пост.8-50В)
| |
|
21
|
CONSOLE
|
9-контактный разъём DB-9M интерфейса RS-232
|
|
22
|
RESET
|
Кнопка для перезагрузки/сброса настроек контроллера
|
*для подключения терминатора замкните вывод “Тx” с выводом “Bx” соответствующего
порта RS-485.
** при питании контроллера через разъём ~220V вход V является выходом для питания
внешних устройств.
***Контроллеры E2R2(G)-3 имеют модульную структуру для возможности расширения аппаратной части и функционала устройства. Пользователь может подобрать встраиваемые блоки под конкретные задачи.
Разъём питания MicroFit
Запрещается одновременное подключение питания на разъём MicroFit и клеммы G и V разъёма "11".
![]() |
Контакт
|
Сигнал
|
Описание
|
|
1
|
NC
|
Не используется
| |
|
2
|
NC
|
Не используется
| |
|
3
|
-
|
Земля
| |
|
4
|
+
|
Положительный вход внешнего питания.
Защищен от перенапряжения и переполюсовки.
|
Режимы работы индикаторов
В главном модуле контроллера предусмотрены три светодиодных индикатора: PWR, NET, ACT

По умолчанию индикаторы настроены на следующие значения:
· PWR — индикатор питания.
· NET — индикатор 3G (4G) соединения.
· ACT — индикатор работы исполнительной системы (ИС) Enlogic.
|
Индикатор
|
Функция
|
Состояние
|
Описание
|
|
PWR
|
Питание
|
Горит непрерывно
|
Питание подключено
|
|
|
|
Не горит
|
Питание отключено
|
|
NET
|
Соединение (3G/4G)
|
Горит непрерывно
|
Установлено 3G (4G) соединение
|
|
|
|
Не горит
|
Нет регистрации в 3G (4G) сети
|
|
ACT
|
Работа ИС Enlogic
|
Мигает 1 раз в секунду
|
ИС запущена и работает в штатном режиме.
|
|
|
|
Не горит
|
ИС не запущена
|
Параметры интерфейса RS-232 (консольный порт/передача данных)

Соответствие интерфейсов к нумерации в ИС EnLogic
|
№п.п
|
Обозначение на корпусе
|
Тип интерфейса
|
Модификация УСПД
|
Номер COM порта в
ИС EnLogic
|
Комментарии
|
|
1
|
Console
(RS-232(3))
|
RS-232
|
E2R2(G), E2R2(G)-2, E2R2(G)-3
|
2
|
9-контактный разъём DB-9M. Может быть настроен на передачу данных или работать как консольный порт.
|
|
2
|
СОМ1
(RS-232(2))
|
RS-232
|
E2R2(G)-3
|
11
|
9-контактный разъём DB-9M интерфейса RS-232
|
|
3
|
СОМ2
(RS-232(1))
|
RS-232
|
E2R2(G)-3
|
10
|
5-контактный разъём интерфейса RS-232. «Под винт».
|
|
4
|
А1В1
|
RS-485
|
E2R2(G)-3
|
12
|
RS-485 с опторазвязкой.
|
|
5
|
А2В2
|
RS-485
|
E2R2(G)-3
|
13
|
RS-485 с опторазвязкой.
|
|
6
|
А3В3
|
RS-485
|
E2R2(G)-3
|
14
|
RS-485 с опторазвязкой.
|
|
7
|
А4В4 **E2R2(G)-3
А,В **E2R2(G)-1
|
RS-485
|
E2R2(G), E2R2(G)-2, E2R2(G)-3
|
1
|
Без гальванической развязки.
В версиях ИС ранее середины 2017г. Номер СОМ порта в Enlogic - 8
|
|
8
|
А2,В2,G2 XP2
**E2R2(G)-1 V4 |
RS-485
|
E2R2(G) V4
|
4
|
RS-485 с опторазвязкой
|
|
9
|
-
|
GSM модем
|
E2R2(G), E2R2(G)-2, E2R2(G)-3
|
0
|
Встроенный GSM модуль.
|
Использование универсальных входов-выходов
Режим 1. Подключение резистивных датчиков
Данный режим реализован в EnLogic для опроса состояния датчиков типа «Сухой контакт».
(Выводы IO1-IO4 работают как дискретные выходы.)
Характеристики дискретных выходов:
Максимальное напряжение на дискретном выходе, В 50
Напряжение логической «1» дискретного входа, В 2,15
Напряжение логического «0» дискретного входа, В < 2,15
Схема подключения:

Схема подключения резистивных датчиков с внешним источником тока:
необходимо установить два резистора:
Один устанавливается до ключа - 10кОм. А другой рассчитывается в зависимости от нагрузки.
Номинал резистора рассчитывают из напряжения питания, мощности резистора и коммутационной возможности сухого контакта, так как при замыкании сухого контакта весь ток пойдёт через него, а всё напряжение - на резистор.
Если взять 1 кОм, к примеру, ток в замкнутом состоянии будет 24 мА а мощность на резисторе - 0,6 Вт.
Исходить следует из следующего:
1) Входное сопротивление контроллера 100 кОм, значит выходное сопротивление "датчика" должно быть не более 20 кОм;
2) Ток в шлейфе зависит от его "чистоты" - чем он меньше, тем легче всяким помехам помешать работе.
В свойствах протокола E2R2-G-IO - Ввод/вывод при использовании внешнего БП следует использовать опцию «Внешний БП».


Режим 2. Управление нагрузкой
В режиме «Управление нагрузкой» выводы I1-I4 работают как дискретные выходы.
Характеристики дискретных выходов.
Максимальное напряжение на дискретном выходе, В 50.
Максимальный ток нагрузки дискретного выхода, мА 30.
Для увеличения нагрузочной способности выводы I1-I4 можно объединять (пунктирная линия на рисунке).
Максимальный ток нагрузки при объединении четырёх выводов составляет 120мА.
Пример схемы управления реле.

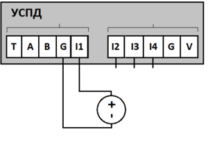
Режим 3. Измерение напряжения
Максимальный уровень напряжения, В 17,87

Подключение токовых датчиков 4-20мА
Для подключения токовых датчиков используется режим «измерение напряжения».
Типовая схема:

Сигналы токовой петли преобразуются в напряжение и их можно считывать через АЦП.
Конфигурирование в Enlogic
IDE (модуль "Контроллеры")
Настройка универсальных линий ввода/вывода
Для указания режима работы универсальных входов, в ИС Enlogic необходимо в модуле «Ввод-вывод» выбрать нужные теги. При этом, если один и тот же тег будет указан в разных группах, исполнительная система будет отрабатывать тот режим, который указан в дереве первым. (Линия ввода/вывода одновременно не может быть в нескольких режимах.)
1.Добавьте протокол – «Внутренний протокол-E2R2-G-IO».

2.Добавьте модуль УСО – «Ввод-вывод».

3.Добавьте и сконфигурируйте каналы.

На рисунке 9 показан вариант, когда линия 1 настроена на режим работы «Резистивные датчики» (Опрос состояния сухих контактов), линия 2 настроена на режим – «Управление нагрузкой», линия 3 настроена на режим – «Измерение напряжения».
Конфигурирование через WEB интерфейс.
Системные логи (журналирование)
Для решения многих технических вопросов нужна подробная информация, хранящаяся в системном журнале и журнале ядра контроллера.
Для того, чтобы журналы были максимально полными, необходимо сделать следующее:
1.Увеличить размер журналов.
2.Настроить сохранение журналов после рестарта контроллера.
Увеличение размера журнала
По умолчанию, размер системного журнала составляет 16кБ, запись производится в ОЗУ. При необходимости, размер системного журнала можно увеличить.
Зайдите в web-интерфейс контроллера, перейдите в меню «Система-Система», далее на вкладку «Журналирование». В поле «Размер системного журнала пропишите 1000. Нажмите «Сохранить и применить».
Совет: устанавливать размер системного журнала более 2000 не стоит.

Сохранение журналов после рестарта контроллера
Внимание!!! Запись лога ведётся во Флеш-память, имеющую ограниченный ресурс циклов записи. Не используйте сохранение логов в файл без особой необходимости.
В строке «Записывать системные события в файл» пропишите путь и имя файла. Пример уже прописан в поле серым цветом. Пользователю достаточно его повторить.
Настройка локального подключения (LAN)
По умолчанию ETH1 и ETH2 объединены в мост. Оба порта доступны по адресу 192.168.0.77
Для изменения сетевых настроек контроллера откройте любой браузер и в адресной строке введите ip адрес контроллера. Откроется страница авторизации, где необходимо ввести логин и пароль (по умолчанию root, root). После ввода логина и пароля откроется главная страница Web-интерфейса.
Используя Web-интерфейс, вы можете настроить имеющиеся по умолчанию LAN/WAN интерфейсы и создать новые.
Изменить настройки интерфейсов Ethernet можно в меню Сеть > Интерфейсы > LAN > Редактировать > Основные настройки.
Зайдите в меню “Сеть” > “Интерфейсы”.
В окне вы увидите два настроенных по умолчанию интерфейса:

Рисунок . Интерфейсы.
LAN, объединяющий интерфейсы Eth0 и Eth1 (выделено зеленым цветом)
INTERNET - WAN/3G-соединение (выделено красным цветом)
В меню интерфейса LAN нажмите “Редактировать”.

Рисунок . Настройка параметров интерфейса LAN.
В основных настройках можно изменить:
· Протокол (статический адрес, DHCP)
· IP адрес
· маску сети
· IPv4-адрес шлюза
· Включить или отключить DHCP

Рисунок . Основные настройки LAN.
По умолчанию, DHCP сервер отключён.
Внимание! При связи с контроллером по беспроводной сети необходимо очистить поле «IPv4-адрес шлюза»
После изменения настроек нажимаем кнопку «Сохранить и применить».
Для продолжения конфигурирования введите в адресной строке браузера новый IP адрес!!!
Настройка GPRS/3G соединения (Internet)
Перейдите в меню Web-интерфейса Сервисы> Менеджер SIM, где необходимо прописать параметры SIM карты и настроить контроль GPRS соединения.
Параметры SIM-карты
В группе «Параметры SIM карты» необходимого приоритета пропишем:
· Имя точки доступа (название APN)
· Имя пользователя
· Пароль

Рисунок . Параметры SIM карты.
Данные получаем у оператора сотовой связи. Предполагается что будет использована SIM-карта, имеющая статический IP адрес*.
*Есть техническое решение, позволяющее получать данные с контроллера, имеющего динамический (не постоянный) IP адрес (не входит в данное описание).
После завершения настроек нажимаем кнопку «Сохранить и применить». Через некоторое время на SIM карту будет получен IP адрес. Посмотреть полученный IP можно на главной странице Web интерфейса.
Настройка контроля GPRS соединения
1.В настройках менеджера SIM (Simman) необходимо поставить галочки:
· Опция "Включить"
· Опция "Использовать только SIM с высоким приоритетом" (если в контроллере будет использоваться только одна SIM карта)
2.Необходимо задать адреса тестовых серверов для пинга.
Этот (один или несколько) адрес должен быть постоянно доступен с данного контроллера. Можно использовать IP адрес сервера или шлюза в настраиваемой сети. Контроллер будет периодически отправлять на указанный адрес запрос (пинг). Если на определённое количество запросов, не будет получен ответ, контроллер перезапустит встроенный модем, либо попытается переключиться на вторую SIM карту, в зависимости от настроек.

Рисунок . Настройки Менеджера SIM.
Адреса по умолчанию 8.8.8.8 и 8.8.4.4 подходят для SIM карт, имеющих выход в Internet. Если SIM карта не имеет выхода в Internet, использовать эти адреса недопустимо! Поскольку запрос на них не пройдёт, и контроллер будет находиться в периодическом рестарте.
После внесения любых изменений в настройки контроллера необходимо нажать кнопку «Сохранить и применить». Если считаете, что ошиблись, можно нажать кнопку «Сбросить», она отменяет все не сохранённые изменения.

Рисунок . Кнопки принятия изменений.
Если все действия выполнены верно и SIM карта активна, она получает IP адрес, который можно посмотреть на главной странице Web интерфейса.
Открытие портов для опроса контроллера в сети GSM
Кроме вывода контроллера в сеть, необходимо проверить что открыть порты, используемые для сбора данных. При опросе контроллер по локальной сети эти настройки выполнять нет необходимости. При опросе через GPRS/3G необходимо открывать порты в обязательном порядке!
В Web интерфейсе перейдём в меню Сеть> Межсетевой экран.

Рисунок 4. Переход в межсетевой экран.
Далее на вкладку «Правила для трафика».
Проверьте что в списке есть порты 30292 (Необходим для опроса контроллера в Enlogic), 2404 (Необходим для опроса контроллера сервером сбора данных) и 80 (Для удалённого доступа к Web интерфейсу контроллера).

Рисунок . Правила для трафика.
Если данные строки отсутствуют, необходимо поочерёдно добавить все перечисленные порты в таблицу.
Для этого. в группе «Открыть порты на маршрутизаторе» для каждого порта пропишите «Имя» и «Внешний порт». Имя может быть любым, в поле «Внешний порт» пропишем 30292, 2404 и 80.

Рисунок . Добавление нового порта в группу.
После всех изменений необходимо нажать кнопку «Сохранить и применить».
На этом настройка сетевых интерфейсов контроллера закончена.

